74HC00
74HC00
RENESAS
74HC00 ST SOP
In Stock: 6124 pcs
, prominentný člen rodiny Logic IC CMOS, integruje štyri brány NAND do jedného balíka, využívajúc technológiu kremíkovej brány, ktorá zodpovedá prevádzkovým rýchlostiam LS-TTL so výrazne nižšou spotrebou energie.Táto zmes rýchlosti a účinnosti, ktorá sa rozšírila o svoju schopnosť jazdiť až do desiatich zaťažení LS-TTL a vnútorného upínacieho upínania diód na ochranu elektrostatického výboja, umiestni 74HC00 ako všestrannú a spoľahlivú súčasť v návrhu digitálnych obvodov.Môžete oceniť jeho vyrovnávacie výstupy pre vylepšenú imunitu hluku a jej kompatibilitu s niekoľkými priemyselnými štandardnými ekvivalentmi, vďaka čomu je základným kameňom pri vytváraní inovatívnych a robustných digitálnych systémov.
Katalóg
Ten 74hc00, začlenenie štyroch brán NAND, je zaznamenané pre jeho zarovnanie s rodinou LS-TTL.
Pri využívaní technológie CMOS kremíkovej brány dosahuje prevádzkové rýchlosti podobné LS-TTL pri zachovaní zamerania na nízku spotrebu energie.Táto rovnováha vám umožňuje využiť rýchlosť a efektívnosť a kultivovať vzory, ktoré rezonujú s vynaliezavosťou.Výstupy tlmených brán zvyšujú imunitu hluku, čo je faktor, ktorý prispieva k stabilnému výkonu aj v náročných signálnych prostrediach.
Vďaka svojej schopnosti jazdiť až do desiatich záťaží LS-TTL je vhodná pre systémy, v ktorých sú potrebné množstvo signálnych výstupov.
Vybavené vnútorným upínaním diód, minimalizuje riziká spojené s elektrostatickým výborom.Táto vlastnosť zdôrazňuje svoju úlohu pri rozširovaní dlhovekosti komponentov a jemne odráža múdrosť pri hľadaní dlhodobej spoľahlivosti.
Náhrady a ekvivalenty:
•
CD4011
CD4011
I-CORE
701
In Stock: 25220 pcs
• MC54HC00AJD
• M74HC00M1
• SN54LS00
• SN74HCT00DTE4
• 74hct132d
• 74hct00

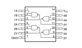
• PINS 1, 2, 4, 5, 9, 10, 12, 13: Dátové vstupy
Tieto kolíky sú vytvorené tak, aby prijímali vstupné signály, ktoré vedú logické operácie brán NAND vo vnútri čipu.Zabezpečenie týchto vstupov je bez interferencie podporujúce spoľahlivé správanie obvodov, čo odráža kontrolu a predvídateľnosť.
• PIN 3, 6, 8, 11: Dátové výstupy
Tieto špendlíky, ktoré pôsobia ako výstupy, sprostredkujú výsledky výpočtov brány NAND.Môžu byť použité v rôznych digitálnych logických konštrukciách a spájajú komplexné logické vzory.Ak je viac obvodov pripojených k jedinému výstupu, potenciálne zaťažovacie účinky naznačujú jemnú rovnováhu požadovanú v zložitých vzťahoch.
• Pin 7: Ground (GND)
Tento kolík sa pripája k systému systému, aby poskytol stabilný referenčný bod pre napätie.Vytvorenie takéhoto stabilného spojenia je v súlade s prirodzeným snahou o uzemnenie a čistotu, čo minimalizuje poruchy.
• PIN 14: Kladné napájacie napájanie (VCC)
Kŕmenie správneho napätia prostredníctvom tohto PIN podporuje výkon zariadenia.Zatiaľ čo udržiavanie v rámci špecifikovaného rozsahu zvyšuje dlhovekosť a efektívnosť, umiestnenie oddeľovacích kondenzátorov v blízkosti Power Pins môže podstatne stabilizovať operáciu a odráža stratégie na zvládnutie zložitosti života.
Model
74HC00
74HC00
RENESAS
74HC00 ST SOP
In Stock: 6124 pcs
je navrhnutý so štyrmi nezávislými bránami NAND, ktoré sa zameriavajú na výkonovú efektívnosť a priťahujú vás spoľahlivým výkonom v digitálnych obvodoch.Jeho pôsobivá imunita hluku prispieva k stabilným aplikáciám, ktoré mnohí považujú za príťažlivé pre projekty, ktoré uprednostňujú konzistentnosť.K dispozícii v DIP a SOIC FORMATS, spĺňa rozmanité požiadavky na dizajn a ponúka flexibilné možnosti rozloženia PCB.
Adaptabilita 74HC00 umožňuje zapadnúť do širokej škály konfigurácií logických brán a zložitých systémov.Môžete si ceniť svoju robustnú schopnosť jazdy vstupu/výstupu a zistiť, že je užitočná na tvorbu komplexných digitálnych funkcií.
Vďaka svojej schopnosti fungovať v rôznych podmienkach robí 74HC00 populárny v oblasti vzdelávania a rozvoja prototypov.Ľahkosť, s akou sa prispôsobuje zvýšenej zložitosti obvodov, vás inšpiruje, aby ste preskúmali nové inovácie bez obetovania výkonu.
Prehľad výrobcu
Texas Instruments si získal povesť svojej odhodlania vytvárať spoľahlivé a priekopnícke polovodičové výrobky.Komponenty Texas Instruments sa s neochvejným zameraním na trvanlivosť a vynikajúci výkon sa ocitnú v jadre mnohých aplikácií a predstavujú svoju efektívnu úlohu v elektronickom priemysle.
Fyzické rozmery
Meranie 8,65 mm x 3,91 mm x 1,58 mm,
74HC00
74HC00
RENESAS
74HC00 ST SOP
In Stock: 6124 pcs
sa môže pochváliť elegantným dizajnom prispôsobeným kompaktným prostrediam.Tieto rozmery zjednodušujú integráciu do rozloženia dosiek s rôznymi obvodmi, čo vám umožňuje čo najlepšie využiť obmedzené miesto bez toho, aby ste ohrozili pozoruhodné schopnosti zariadenia.
Elektrické charakteristiky
Napätie napájania sa pohybuje od 2V do 6V, čo ponúka prispôsobivosť pri výbere zdrojov energie a zabezpečuje kompatibilitu so širokým spektrom digitálnych obvodov.Tento rozsah napätia podporuje všestranné aplikácie a umožňuje modelu 74HC00 adepticky prispôsobiť sa meniacim sa požiadavkám v dynamických prostrediach.
Teplota a environmentálne podmienky
Účinne pôsobenie medzi -40 ° C a 85 ° C je zariadenie navrhnuté tak, aby prosperovalo v rôznych klimatických podmienkach a priemyselných podmienkach.Jeho odpor proti extrémom teploty z neho robí preferovanú voľbu pre spotrebnú elektroniku a priemyselné aplikácie, kde je daná variabilita životného prostredia.
Výkonnostné metriky
Vyniká 74hc00 efektívnosť spracovania potrebných pre vysokorýchlostné logické funkcie, ktoré ponúka oneskorenie šírenia 23 nanosekundy.Tento rýchly výkon je výhodný pre aplikácie, ako sú riadenie digitálnych signálov a komunikačné systémy, kde je nevyhnutnosť rýchla výmena údajov.
Štrukturálne zloženie
Zariadenie obsahuje 4 brány pre logické operácie NAND, ktoré poskytuje podstatnú funkčnosť pre zložité logické návrhy.Táto konfigurácia sa ukazuje ako výhodná, ak je potrebné efektívne vykonať logické operácie, čím sa zabezpečuje rýchle a spoľahlivé spracovanie v systémoch.
Klasifikácia
Fungujúca ako logická brána, 74hc00 slúži ako primárny komponent pri tvorbe digitálnych obvodov.Tieto prvky môžete použiť na konštrukciu zložitých digitálnych systémov, čím sa inovatívnymi spôsobmi zvýšite výpočtovú silu a rozvíjanie schopností spracovania.
74HC00
74HC00
RENESAS
74HC00 ST SOP
In Stock: 6124 pcs
integruje štyri samostatné NAND brány, z ktorých každá má dva vstupy vedúce k jedinému výstupu.Operácia závisí od podrobnej tabuľky pravdy.Konkrétne, výstup klesne na nízky, iba ak sú oba vstupy vysoké.V opačnom prípade zostáva výstup vysoký - primárny prvok v digitálnej logike, ktorý pôsobí ako základný komponent pri tvorbe zložitejších obvodov.
Pozitívna spätná väzba jemne ovplyvňuje stabilitu v týchto bránach.Keď každá brána spracováva svoje vstupy, spätná väzba slúži na posilnenie stabilného výstupného stavu, čo podporuje konzistentný výkon.Táto rovnováha sa dosiahne harmonizáciou reakcií brány so vstupnými hodnotami.Do tohto aspektu môžete využiť obvody, ktoré požadujú spoľahlivé logické stavy a odhalia vrstvu zabezpečenej predvídateľnosti.
Uchopenie jemností dynamiky vstupu a výstupu v bránach NAND zvyšuje potenciál pre zjednodušené návrhy obvodov.Bežné aplikácie zahŕňajú konštrukciu žabiek a vykonávanie logických úloh, ako sú a, a nie operácie.Táto univerzálnosť zdôrazňuje ich prijatie v spektre kontextov, od priamych kontrolných mechanizmov až po sofistikované výpočtové rámce.
Vzhľadom na širšiu užitočnosť 74hc00, jeho spoľahlivý výkon zistí relevantnosť v oblastiach pokrývajúcich spotrebnú elektroniku pre priemyselnú automatizáciu.Sila zariadenia týchto brán v rôznych logických rámcoch poskytuje značnú tvorivú slobodu, čo podporuje inovácie.Hlavné princípy Nand Gates inšpirujú riešenia prispôsobené jedinečným technologickým prekážkam.
74HC00
74HC00
RENESAS
74HC00 ST SOP
In Stock: 6124 pcs
je štvornásobná dvoj vstupovia NAND Gate navrhnutá s vynikajúcou presnosťou.Stelesňuje harmonickú zmes praktickosti a technologickej sofistikovanosti.
Funkcie
• pracuje na širokom rozsahu napätia
• Zobrazuje rýchle oneskorenie šírenia
• Vhodné pre vysokorýchlostné a nízkoenergetické operácie
Elektrické charakteristiky
• Napätie a prúd: Táto súčasť funguje na šírke úrovne napätia a vyhovuje rozmanitosti potrieb navrhovania.
• Teplotný rozsah: Vykonáva spoľahlivo v rôznych nastaveniach teploty, čo umožňuje prispôsobivosť rôznym podmienkam prostredia.
Žiadosti
• Všeobecné použitie: všestranná komponent, nájde miesto v nespočetných digitálnych obvodoch, ktoré uspokojujú potreby od každodenných úloh až po zložité aplikácie s milosťou.
• Špecifické implementácie: Od spotrebnej elektroniky po priemyselné mechanizmy, 74hc00 sa bez problémov integruje a prejavuje svoju užitočnosť v každej aplikácii.
Čip
74HC00
74HC00
RENESAS
74HC00 ST SOP
In Stock: 6124 pcs
vykazuje pozoruhodnú prispôsobivosť, často sa objavuje v rôznych elektronických kontextoch vďaka svojmu širokému spektru funkcií.
Vyrovnávanie a jazda
74HC00 Adeply funguje ako vyrovnávacia pamäť alebo vodič, čím podporuje bezproblémové pripojenie cez obvody.Minimalizáciou kvapiek napätia a znižovacej degradácii signálu vytvára konzistentnú komunikáciu medzi komponentmi.V praktickej elektronike môže využívať 74HC00 ako vyrovnávaciu pamäť podporovať kapacitu mikrokontroléru aktivovať viacero LED alebo reléových modulov, čo je častá funkcia v projektoch pre domácich majstrov.
Logické operácie
Tento čip umožňuje logické operácie, ako sú brány NAND, ktoré tvoria jadro zložitých systémov.Jeho integrácia bez námahy do rôznych logických obvodov zdôrazňuje jeho použiteľnosť.V digitálnom dizajne vás využíva nand brány oprávnenie konštruovať sofistikované logické obvody s menším počtom komponentov, čím sa zvyšuje dostupnosť aj kompaktnosť.
Integrácia vložených systémov
V zabudovaných systémoch vykonávanie úlohy 74HC00 narazil na vykonávanie logických funkcií vloženia logických funkcií v iniciatívach mikrokontrolérov.
Početné zariadenia IoT využívajú tento čip na vykonávanie podmienečných kontrol a na správu periférnych zariadení, zvyšovanie reakcie systému a spoľahlivosť.
Konverzia
74HC00 slúži účinnej úlohe pri konverzii na úrovni a upravuje úrovne signálu medzi rôznymi obvodmi.To uľahčuje hladké rozhranie komponentov s rôznymi hodnoteniami napätia.V situáciách so zmiešaným napätím, ako je prepojenie 5V mikrokontroléru so snímačom 3,3 V, 74hc00 plynulo premosťuje priepasť a zaisťuje presné zdieľanie údajov.
Načasovanie a ovládacie obvody
Čip obsahuje aj časovacie a riadiace obvody, ktoré pomáhajú pri dôslednej koordinácii postupných logických úloh, ktoré vylepšujú aplikácie, ako sú obvody s oneskorením a generovanie impulzov.Zlepšenie časovacích obvodov s 74hc00 zvyšuje presnosť úloh, ako sú synchrónne komunikačné systémy, zaistenie vernosti údajov prostredníctvom starostlivého riadenia času.
Digitálny komparátor pre binárne porovnanie
74HC00 funguje ako digitálny komparátor pre binárne porovnania, ideálne s rozhodovaním v rámci digitálnych rámcov.Rozlišuje rovnosť alebo variácie medzi binárnymi obrázkami.Použitie 74HC00 na binárne porovnanie poskytuje efektívnu cestu na implementáciu rozhodnutí o vetvení v rôznych digitálnych protokoloch, čím sa posilňuje výkonnosť systému v činnostiach.
74HC00 DataShet:
74hc00 Podrobnosti PDF74HC00 Podrobnosti PDF pre FR.PDF74HC00 Podrobnosti PDF pre KR.PDF74hc00 Podrobnosti PDF pre It.pdf74HC00 Podrobnosti PDF pre ES.PDF
1. Aká je funkčnosť 74hc00?
74HC00 obsahuje štyri nezávislé dvojstranné brány NAND, ktoré pracujú v rámci výkonového rozsahu 2,0 V až 6,0 V.Poskytovanie digitálnych logických systémov umožňuje tvorbu logických operácií, ktoré tvoria chrbticu zložitých digitálnych architektúr.
2. Koľko brán NAND obsahuje 74LS00?
74LS00 obsahuje sadu štyroch brán NAND, z ktorých každá bola navrhnutá s dvoma vstupmi a jedinečným výstupom.Táto konfigurácia je bežnou voľbou pri vývoji jednotiek v digitálnej elektronike.
3. Čo odlišuje 74HC00 od 74LS00?
Hlavným rozdielom je ich adaptabilita napätia.74HC00 pracuje v rozsahu 2V až 6 V, zatiaľ čo 74LS00 je obmedzený na napájanie 5 V.Výber často závisí od variácií potrieb aplikácie a environmentálnych faktorov.
4. Môžete opísať sériu 74hc?
Séria 74HC obsahuje vysokorýchlostné integrované obvody CMOS, ktoré ponúkajú rýchlosti kompatibilné s TTL so zníženou spotrebou energie.Ich kompatibilita s rozložením PIN série 74LS umožňuje ľahkú integráciu a výmenu v existujúcich obvodoch.
5. Aké sú aplikácie 74hc00?
V digitálnych obvodoch je 74HC00 nápomocný, kde sú potrebné logické brány NAND na inverziu signálu a vykonávanie zložitých logických akcií.Vďaka jeho prispôsobivosti z neho robí cenný prínos vo vzdelávacích kontextoch a profesionálnych elektronických podnikoch.
Zdieľajte tento príspevok